О компании
Каталог товаров
Сервис
Условия гарантии
ГАРАНТИЯ
РЕГИСТРАЦИЯ ОБОРУДОВАНИЯ
ЗАКАЗ ЗАПЧАСТЕЙ
ОБРАЩЕНИЕ В СЕРВИС
Регистрация оборудования
Инструкции для скачивания
Видео по сборке и настройке
Техническая поддержка
Заявка в сервис
Найти сервисный центр
Горячая линия с сервисом
Заказ запчастей
Возврат и обмен
База знаний
Вопросы и ответы
Купить
Как купить
Оформить покупку он-лайн
Торгово - сервисные центры
Выбрать дилера
Рассрочка и кредит
Оплата
Программа лояльности
Возврат и обмен
Доставка
Условия доставки
Терминалы выдачи
Самовывоз
Видео
Видео YouTube
Видео Rutube
Видео YouTube
Видео Rutube
Видео пользователей
Видео по сборке и настройке
Видео Дзен
Видео YouTube
Видео Rutube
Видео пользователей
Видео по сборке и настройке
Видео пользователей
Видео по сборке и настройке
Контакты
+7(800)500-27-83
Авторизация
Войти
Регистрация
Главная страница
Заказ запчастей
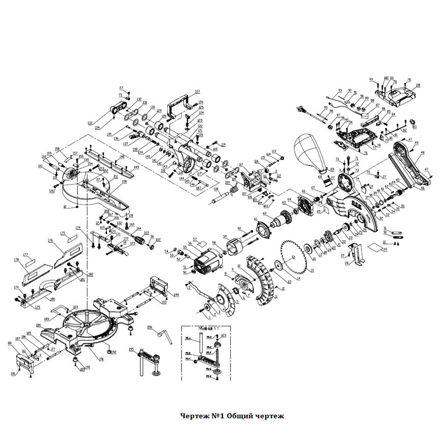
JIB 7305B-2
JIB 7305B-2
Модель:
JIB 7305B-2
Запчасти поставляются только для владельцев нашего оборудования и только в случае замены поврежденных деталей (для ремонта).
При оформлении заказа на запчасти необходимо направить на наш e-mail:
фото серийного номера станка,
фото поврежденной детали.
Скачать схему в PDF
Номер детали
Артикул
Описание
Цена руб.
Кол-во
Номер детали:
1
Номер модели:
7305 B-2#1
Описание:
Винт M6х22
Цена:
Купить
Номер детали:
2
Номер модели:
7305 B-2#2
Описание:
Поворотная втулка
Цена:
Купить
Номер детали:
3
Номер модели:
7305 B-2#3
Описание:
Винт
Цена:
Купить
Номер детали:
4
Номер модели:
7305 B-2#4
Описание:
Шатун
Цена:
Купить
Номер детали:
5
Номер модели:
7305 B-2#5
Описание:
Центральная крышка
Цена:
Купить
Номер детали:
6
Номер модели:
7305 B-2#6
Описание:
Пружина
Цена:
Купить
Номер детали:
7
Номер модели:
7305 B-2#7
Описание:
Резиновая вставка
Цена:
Купить
Номер детали:
8
Номер модели:
7305 B-2#8
Описание:
Винт M6х10
Цена:
Купить
Скачать схему в PDF
1
2
3
4
27