О компании
Каталог товаров
Сервис
Условия гарантии
ГАРАНТИЯ
РЕГИСТРАЦИЯ ОБОРУДОВАНИЯ
ЗАКАЗ ЗАПЧАСТЕЙ
ОБРАЩЕНИЕ В СЕРВИС
Регистрация оборудования
Инструкции для скачивания
Видео по сборке и настройке
Техническая поддержка
Заявка в сервис
Найти сервисный центр
Горячая линия с сервисом
Заказ запчастей
Возврат и обмен
База знаний
Вопросы и ответы
Купить
Как купить
Оформить покупку он-лайн
Торгово - сервисные центры
Выбрать дилера
Рассрочка и кредит
Оплата
Программа лояльности
Возврат и обмен
Доставка
Условия доставки
Терминалы выдачи
Самовывоз
Видео
Видео YouTube
Видео Rutube
Видео YouTube
Видео Rutube
Видео пользователей
Видео по сборке и настройке
Видео Дзен
Видео YouTube
Видео Rutube
Видео пользователей
Видео по сборке и настройке
Видео пользователей
Видео по сборке и настройке
Контакты
+7(800)500-27-83
Авторизация
Войти
Регистрация
Главная страница
Заказ запчастей
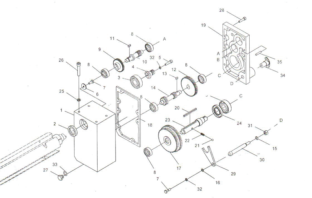
WARRIOR W0202
WARRIOR W0202
Модель:
WARRIOR W0202
Запчасти поставляются только для владельцев нашего оборудования и только в случае замены поврежденных деталей (для ремонта).
При оформлении заказа на запчасти необходимо направить на наш e-mail:
фото серийного номера станка,
фото поврежденной детали.
Скачать схему в PDF
Номер детали
Артикул
Описание
Цена руб.
Кол-во
Номер детали:
1-2
Номер модели:
W0202#1-2
Описание:
Втулка длинная
Цена:
Купить
Номер детали:
1-3
Номер модели:
W0202#1-3
Описание:
Винт с шайбой
Цена:
Купить
Номер детали:
1-5
Номер модели:
W0202#1-5
Описание:
Ремень клиновый
Цена:
Купить
Номер детали:
1-7
Номер модели:
W0202#1-7
Описание:
Шайба плоская
Цена:
Купить
Номер детали:
1-9
Номер модели:
W0202#1-9
Описание:
Ограждение ремней клиновых
Цена:
Купить
Номер детали:
1-10
Номер модели:
W0202#1-10
Описание:
Шайба плоская
Цена:
Купить
Номер детали:
1-13
Номер модели:
W0202#1-13
Описание:
Двигатель режущего вала верхнего
Цена:
Купить
Номер детали:
1-14
Номер модели:
W0202#1-14
Описание:
Основание двигателя
Цена:
Купить
Скачать схему в PDF
1
2
3
4
17