О компании
Каталог товаров
Сервис
Условия гарантии
ГАРАНТИЯ
РЕГИСТРАЦИЯ ОБОРУДОВАНИЯ
ЗАКАЗ ЗАПЧАСТЕЙ
ОБРАЩЕНИЕ В СЕРВИС
Регистрация оборудования
Инструкции для скачивания
Видео по сборке и настройке
Техническая поддержка
Заявка в сервис
Найти сервисный центр
Горячая линия с сервисом
Заказ запчастей
Возврат и обмен
База знаний
Вопросы и ответы
Купить
Как купить
Оформить покупку он-лайн
Торгово - сервисные центры
Выбрать дилера
Рассрочка и кредит
Оплата
Программа лояльности
Возврат и обмен
Доставка
Условия доставки
Терминалы выдачи
Самовывоз
Видео
Видео YouTube
Видео Rutube
Видео YouTube
Видео Rutube
Видео пользователей
Видео по сборке и настройке
Видео Дзен
Видео YouTube
Видео Rutube
Видео пользователей
Видео по сборке и настройке
Видео пользователей
Видео по сборке и настройке
Контакты
+7(800)500-27-83
Авторизация
Войти
Регистрация
Главная страница
Заказ запчастей
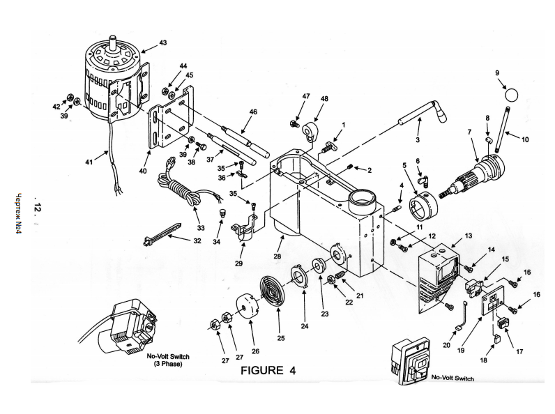
JIB DP38016B
JIB DP38016B
Модель:
JIB DP38016B
Запчасти поставляются только для владельцев нашего оборудования и только в случае замены поврежденных деталей (для ремонта).
При оформлении заказа на запчасти необходимо направить на наш e-mail:
фото серийного номера станка,
фото поврежденной детали.
Скачать схему в PDF
Номер детали
Артикул
Описание
Цена руб.
Кол-во
Номер детали:
1-1
Номер модели:
DP38016B-1#1
Описание:
Винт с шестигранным шлицем M6*1.0-10
Цена:
Купить
Номер детали:
1-2
Номер модели:
DP38016B-1#2
Описание:
Буртик зубчатой рейки
Цена:
Купить
Номер детали:
1-3
Номер модели:
DP38016B-1#3
Описание:
Колесо червячное
Цена:
Купить
Номер детали:
1-4
Номер модели:
DP38016B #4
Описание:
Рукоятка
Цена:
Купить
Номер детали:
1-6
Номер модели:
DP38016B #6
Описание:
Шкив шпинделя
Цена:
Купить
Номер детали:
1-8
Номер модели:
DP38016B-1#8
Описание:
Болт M16*20-35
Цена:
Купить
Номер детали:
1-7
Номер модели:
DP38016B-1#7
Описание:
Фиксатор стола
Цена:
Купить
Номер детали:
1-9
Номер модели:
DP38016B-1#9
Описание:
Консоль стола со шкалой
Цена:
Купить
1
2
3
4
12