+7(800)500-27-83
Часы работы: 8-21 Пн-Сб МСК
Тех поддержка: 10-19 Пн-Пт МСК

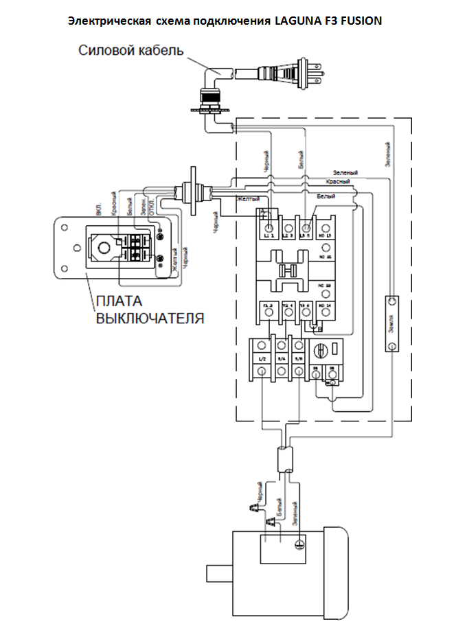
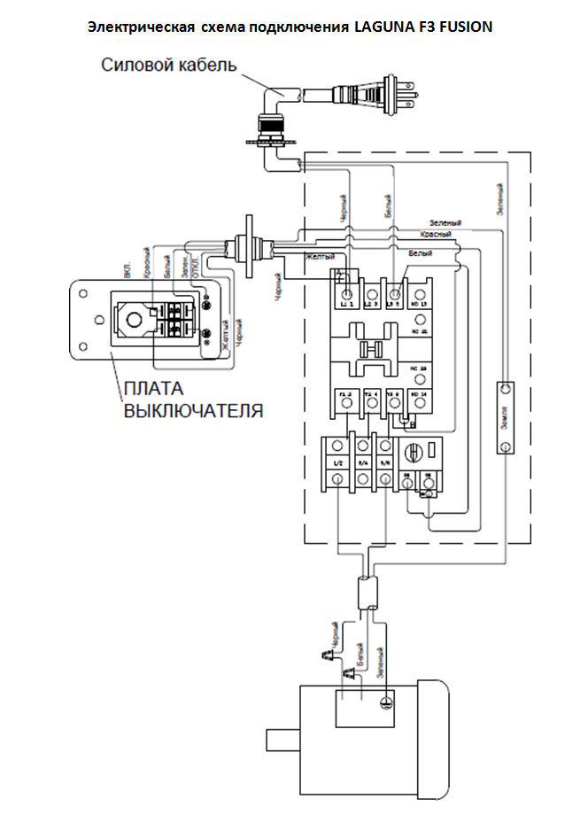
Пила циркулярная LAGUNA F3 FUSION

Артикул: MTSF3362203-0130

0
Мощность двигателя 2,21 кВт  
  • Новые настольные пилы Laguna F2 и F3 не похожи ни на одну пилу на рынке.
  • Новая линия Fusion не только впечатлит, но и превзойдет ожидания, которые вы ожидаете от Laguna.
  • Полностью переработанные элементы управления узлом наклона, в которых основное внимание уделяется плавному управлению и долговечности пилы.
...
  • Преимущества
  • Характеристики
  • Комплектация
  • Инструкции
  • Сравнение
  • Запчасти
  • Сервис
  • Отзывы
    0
  • Новые настольные пилы Laguna F2 и F3 не похожи ни на одну пилу на рынке.
  • Новая линия Fusion не только впечатлит, но и превзойдет ожидания, которые вы ожидаете от Laguna.
  • Полностью переработанные элементы управления узлом наклона, в которых основное внимание уделяется плавному управлению и долговечности пилы.
  • Диаметр пильного диска 254 мм
  • Диаметр вала 30 / 16 мм
  • Частота вращения пильного диска 4000 об/мин
  • Максимальная глубина пиления при 90° 80 мм
  • Максимальная глубина пиления при 45° 54 мм
  • Максимальный продольный распил справа от диска 940 мм
  • Максимальный продольный распил слева от диска 500 мм
  • Максимальная ширина пазовальных фрез (Dado) 19 мм
  • Диаметр патрубка аспирации опилок 100 мм
  • Направление наклона пилы левое
  • Номинальное напряжение 230 В
  • Частота тока 50 Гц
  • Потребляемая мощность / пусковой ток 3,32 кВт/15А
  • Мощность двигателя выходная 2,21 кВт
  • Основной стол 508 х 683,5 мм
  • Высота стола от пола 886,5 мм
  • Длина стола с чугунными удлинителями 1547 х 683,5 мм
  • Размеры в упаковке (Д х Ш х В),мм 1200*1130*1100 (станок)
  • Масса нетто/брутто 173/219 кг
  • Чугунные расширители рабочего стола
  • Профессиональный параллельный упор с алюминиевыми накладками
  • Угловой упор (транспортир) с регулировками
  • Защита пильного диска с системой аспирации опилок
  • Расклинивающий нож для глухих пропилов
  • Нулевая вставка
  • Вставка Dado
  • Мобильная база
  • Пильный диск 250x30x2,0/3,0 40T
  • Дополнительный боковой стол (Д х Ш) - 792х815 мм
  • Задний раскладывающийся стол (Д х Ш) - 500х608 мм
Обзор серии Fusion
Обзор станка Laguna F3 Fusion
Подробный обзор станка Laguna F3 Fusion
Первый запуск станка LAGUNA 3, проверка на вибрацию.
Круглопильный станок Warrior W0702 Как убрать люфт полуколец узла наклона пильного диска
Важное объявление и простейшая каретка для обрезки обзола
Простая,удобная,точная шипорезка своими руками. Шип на циркулярке ЛЕГКО! Spike - cutting carriage
Картинка картинка JIB BAS 250 Ленточнопильный станок от HARVEY-RUS картинка JIB BAS 250 (без подставки) от HARVEY-RUS картинка JIB BAS 312 Ленточнопильный станок от HARVEY-RUS картинка Токарный станок JIB WL1018 от HARVEY-RUS картинка JIB WL1218 Токарный станок от HARVEY-RUS картинка JIB WL1218VD Токарный станок от HARVEY-RUS картинка Ленточнопильный станок JIB BS16N от HARVEY-RUS картинка JIB MBS 400 400В Ленточнопильный станок от HARVEY-RUS картинка Ленточнопильный станок JIB BS10 от HARVEY-RUS картинка Ленточнопильный станок JIB BS12 от HARVEY-RUS картинка Ленточнопильный станок JIB BS14 от HARVEY-RUS картинка Ленточная пила LAGUNA 14|12 от HARVEY-RUS картинка Ленточная пила LAGUNA 14|BX от HARVEY-RUS картинка JIB RDP86016B Сверлильный станок от HARVEY-RUS картинка JIB MBS 300 Ленточнопильный станок от HARVEY-RUS картинка Ленточнопильный станок JIB BS14A от HARVEY-RUS картинка Ленточнопильный станок JIB BS18 от HARVEY-RUS картинка Ленточнопильный станок JIB BS20N от HARVEY-RUS картинка Круглопильный станок HARVEY  HW110LGE от HARVEY-RUS картинка Круглопильный станок HARVEY HW110S от HARVEY-RUS JIB 7255D-2 Торцовочная пила от HARVEY-RUS картинка JIB BS16NH Ленточнопильный станок от HARVEY-RUS картинка JIB DP38016B Сверлильный станок от HARVEY-RUS картинка Форматно раскроечный  JIB MJ12II - 3200 от HARVEY-RUS картинка JIB 7255D-2E Торцовочная пила от HARVEY-RUS картинка Круглопильный станок WARRIOR W0706L от HARVEY-RUS картинка Шлифовальный станок JIB SD12 от HARVEY-RUS картинка Фуговально-рейсмусовый станок JIB MP250QM от HARVEY-RUS картинка Ленточнопильный станок HARVEY HW614E от HARVEY-RUS картинка JIB WL1218B Токарный станок от HARVEY-RUS картинка Токарный станок HARVEY T-40 от HARVEY-RUS картинка Круглопильный станок  JIB MJ10-700 от HARVEY-RUS картинка Токарные станки JIB WL1218 и JIB WL1018 от HARVEY-RUS картинка Токарный станок HARVEY T-50 от HARVEY-RUS картинка Токарный станок HARVEY T-60 от HARVEY-RUS картинка Круглопильный станок WARRIOR W0703 от HARVEY-RUS картинка Круглопильный станок WARRIOR W0703F от HARVEY-RUS картинка JIB WL1218VDB Токарный станок от HARVEY-RUS картинка Ленточнопильный станок HARVEY HW616E от HARVEY-RUS картинка JIB M320 Токарный станок от HARVEY-RUS картинка JIB W0903X Токарный станок от HARVEY-RUS картинка JIB WJ-6X55 Фуговальный станок от HARVEY-RUS картинка JIB W0901 Токарный станок от HARVEY-RUS картинка JIB WJ-6X55 HL Фуговальный станок с валом Helical от HARVEY-RUS картинка JIB WJ-8X76 Фуговальный станок от HARVEY-RUS картинка JIB WJ-8X76 400 B Фуговальный станок от HARVEY-RUS картинка JIB WJ-8X76 HL Фуговальный станок с валом Helical от HARVEY-RUS картинка JIB WJ-8X76 HL 400В Фуговальный станок с валом Helical от HARVEY-RUS картинка JIB WJP-15 Рейсмусовый станок от HARVEY-RUS картинка JIB WJP-15 HL Рейсмусовый станок от HARVEY-RUS картинка Круглопильный станок WARRIOR W0705L от HARVEY-RUS картинка Ленточнопильный станок HARVEY HW618E от HARVEY-RUS картинка Фуговальный станок WARRIOR  W0108 от HARVEY-RUS картинка WARRIOR W0109DL Фуговальный станок от HARVEY-RUS картинка WARRIOR W0109DL HL Фуговальный станок с валом Helical от HARVEY-RUS картинка WARRIOR  W0109D Фуговальный станок от HARVEY-RUS картинка WARRIOR  W0109D HL Фуговальный станок с валом Helical от HARVEY-RUS картинка Фуговальный станок LAGUNA SHEARTEC II PP6 от HARVEY-RUS картинка Фуговальный станок LAGUNA SHEARTEC II PP6 HL от HARVEY-RUS картинка Ленточнопильный станок HARVEY C-14VS от HARVEY-RUS картинка WARRIOR W0103FL  230В Фуговальный станок от HARVEY-RUS картинка WARRIOR  W0103FL HL  230В Фуговальный станок с валом Helical от HARVEY-RUS картинка WARRIOR W0103FL 400В Фуговальный станок от HARVEY-RUS картинка WARRIOR W0103FL HL 400В Фуговальный станок с валом Helical от HARVEY-RUS картинка Рейсмусовый станок WARRIOR W0205 от HARVEY-RUS картинка Рейсмусовый станок WARRIOR W0205 HL от HARVEY-RUS картинка Фуговальный станок LAGUNA SHEARTEC II PP8 230В от HARVEY-RUS картинка Фуговальный станок LAGUNA SHEARTEC II PP8 HL 230В от HARVEY-RUS картинка Фуговальный станок LAGUNA SHEARTEC II PP8 400В от HARVEY-RUS картинка Фуговальный станок LAGUNA SHEARTEC II PP8 HL 400В от HARVEY-RUS картинка Рейсмусовый станок WARRIOR W0202 от HARVEY-RUS картинка Фуговальный станок WARRIOR W0101 от HARVEY-RUS картинка WARRIOR W0702L от HARVEY-RUS картинка Фуговальный станок WARRIOR W0100 от HARVEY-RUS картинка Ленточнопильный станок HARVEY C-16VS от HARVEY-RUS картинка Фрезерный станок WARRIOR W0403F от HARVEY-RUS картинка Фрезерный станок WARRIOR W0401 230В от HARVEY-RUS картинка Фрезерный станок LAGUNA 4 от HARVEY-RUS картинка Фуговально - рейсмусовый станок WARRIOR AD30 от HARVEY-RUS картинка WARRIOR  W0102  230В Фуговальный станок от HARVEY-RUS картинка WARRIOR  W0102 HL 230В Фуговальный станок с валом Helical от HARVEY-RUS картинка WARRIOR  W0102  HL 400В Фуговальный станок с валом Helical от HARVEY-RUS картинка WARRIOR  W0102  400В Фуговальный станок от HARVEY-RUS картинка JIB 25101 230B Круглопильный станок от HARVEY-RUS картинка Ленточнопильный станок HARVEY C-18VS от HARVEY-RUS картинка Барабанный шлифовальный станок LAGUNA SUPERMAX 19-38 от HARVEY-RUS картинка Шлифовальный станок Laguna DB 12|6 от HARVEY-RUS картинка JIB 25101 400B Круглопильный станок от HARVEY-RUS картинка Шлифовальный станок LAGUNA SS|14 от HARVEY-RUS картинка Осциллирующий шлифовальный станок Laguna 6|89T от HARVEY-RUS картинка WARRIOR W0702 230В Круглопильный станок от HARVEY-RUS картинка Круглопильный станок HARVEY HW110WSE от HARVEY-RUS картинка Устройство для вытачивания сфер JIB WL330 от HARVEY-RUS картинка Автоподатчик HARVEY V-380 от HARVEY-RUS картинка Автоподатчик HARVEY V-480 от HARVEY-RUS картинка Автоподатчик HARVEY V-880 от HARVEY-RUS картинка Барабанный шлифовальный станок LAGUNA SUPERMAX 16-32 от HARVEY-RUS картинка JIB MJ10-1300 Круглопильный станок от HARVEY-RUS картинка Круглопильный санок LAGUNA F2 FUSION от HARVEY-RUS картинка Пила циркулярная LAGUNA F3 FUSION от HARVEY-RUS картинка Круглопильный станок WARRIOR W0705 от HARVEY-RUS картинка Круглопильный станок WARRIOR W0706 от HARVEY-RUS картинка Барабанный шлифовальный станок LAGUNA SUPERMAX 25-50 от HARVEY-RUS
Название JIB BAS 250 Ленточнопильный станок
(нет на складе)
JIB BAS 250 (без подставки)
(нет на складе)
JIB BAS 312 Ленточнопильный станок
(нет на складе)
Токарный станок JIB WL1018
(нет на складе)
JIB WL1218 Токарный станок
(нет на складе)
JIB WL1218VD Токарный станок
(нет на складе)
Ленточнопильный станок JIB BS16N
(нет на складе)
JIB MBS 400 400В Ленточнопильный станок
(нет на складе)
Ленточнопильный станок JIB BS10
(нет на складе)
Ленточнопильный станок JIB BS12
(нет на складе)
Ленточнопильный станок JIB BS14
(нет на складе)
Ленточная пила LAGUNA 14|12
(нет на складе)
Ленточная пила LAGUNA 14|BX
(нет на складе)
JIB RDP86016B Сверлильный станок
(нет на складе)
JIB MBS 300 Ленточнопильный станок
(нет на складе)
Ленточнопильный станок JIB BS14A
(нет на складе)
Ленточнопильный станок JIB BS18
(нет на складе)
Ленточнопильный станок JIB BS20N
(нет на складе)
Круглопильный станок HARVEY HW110LGE
(нет на складе)
Круглопильный станок HARVEY HW110S
(нет на складе)
JIB 7255D-2 Торцовочная пила
(нет на складе)
JIB BS16NH Ленточнопильный станок
(нет на складе)
JIB DP38016B Сверлильный станок
(нет на складе)
Форматно раскроечный JIB MJ12II - 3200
(нет на складе)
JIB 7255D-2E Торцовочная пила
(нет на складе)
Круглопильный станок WARRIOR W0706L
(нет на складе)
Шлифовальный станок JIB SD12
(нет на складе)
Фуговально-рейсмусовый станок JIB MP250QM
(нет на складе)
Ленточнопильный станок HARVEY HW614E
(нет на складе)
JIB WL1218B Токарный станок
(нет на складе)
Токарный станок HARVEY T-40
(нет на складе)
Круглопильный станок JIB MJ10-700
(нет на складе)
Токарные станки JIB WL1218 и JIB WL1018
(нет на складе)
Токарный станок HARVEY T-50
(нет на складе)
Токарный станок HARVEY T-60
(нет на складе)
Круглопильный станок WARRIOR W0703
(нет на складе)
Круглопильный станок WARRIOR W0703F
(нет на складе)
JIB WL1218VDB Токарный станок
(нет на складе)
Ленточнопильный станок HARVEY HW616E
(нет на складе)
JIB M320 Токарный станок
(нет на складе)
JIB W0903X Токарный станок
(нет на складе)
JIB WJ-6X55 Фуговальный станок
(нет на складе)
JIB W0901 Токарный станок
(нет на складе)
JIB WJ-6X55 HL Фуговальный станок с валом Helical
(нет на складе)
JIB WJ-8X76 Фуговальный станок
(нет на складе)
JIB WJ-8X76 400 B Фуговальный станок
(нет на складе)
JIB WJ-8X76 HL Фуговальный станок с валом Helical
(нет на складе)
JIB WJ-8X76 HL 400В Фуговальный станок с валом Helical
(нет на складе)
JIB WJP-15 Рейсмусовый станок
(нет на складе)
JIB WJP-15 HL Рейсмусовый станок
(нет на складе)
Круглопильный станок WARRIOR W0705L
(нет на складе)
Ленточнопильный станок HARVEY HW618E
(нет на складе)
Фуговальный станок WARRIOR W0108
(нет на складе)
WARRIOR W0109DL Фуговальный станок
(нет на складе)
WARRIOR W0109DL HL Фуговальный станок с валом Helical
(нет на складе)
WARRIOR W0109D Фуговальный станок
(нет на складе)
WARRIOR W0109D HL Фуговальный станок с валом Helical
(нет на складе)
Фуговальный станок LAGUNA SHEARTEC II PP6
(нет на складе)
Фуговальный станок LAGUNA SHEARTEC II PP6 HL
(нет на складе)
Ленточнопильный станок HARVEY C-14VS
(нет на складе)
WARRIOR W0103FL 230В Фуговальный станок
(нет на складе)
WARRIOR W0103FL HL 230В Фуговальный станок с валом Helical
(нет на складе)
WARRIOR W0103FL 400В Фуговальный станок
(нет на складе)
WARRIOR W0103FL HL 400В Фуговальный станок с валом Helical
(нет на складе)
Рейсмусовый станок WARRIOR W0205
(нет на складе)
Рейсмусовый станок WARRIOR W0205 HL
(нет на складе)
Фуговальный станок LAGUNA SHEARTEC II PP8 230В
(нет на складе)
Фуговальный станок LAGUNA SHEARTEC II PP8 HL 230В
(нет на складе)
Фуговальный станок LAGUNA SHEARTEC II PP8 400В
(нет на складе)
Фуговальный станок LAGUNA SHEARTEC II PP8 HL 400В
(нет на складе)
Рейсмусовый станок WARRIOR W0202
(нет на складе)
Фуговальный станок WARRIOR W0101
(нет на складе)
WARRIOR W0702L
(нет на складе)
Фуговальный станок WARRIOR W0100
(нет на складе)
Ленточнопильный станок HARVEY C-16VS
(нет на складе)
Фрезерный станок WARRIOR W0403F
(нет на складе)
Фрезерный станок WARRIOR W0401 230В
(нет на складе)
Фрезерный станок LAGUNA 4
(нет на складе)
Фуговально - рейсмусовый станок WARRIOR AD30
(нет на складе)
WARRIOR W0102 230В Фуговальный станок
(нет на складе)
WARRIOR W0102 HL 230В Фуговальный станок с валом Helical
(нет на складе)
WARRIOR W0102 HL 400В Фуговальный станок с валом Helical
(нет на складе)
WARRIOR W0102 400В Фуговальный станок
(нет на складе)
JIB 25101 230B Круглопильный станок
(нет на складе)
Ленточнопильный станок HARVEY C-18VS
(нет на складе)
Барабанный шлифовальный станок LAGUNA SUPERMAX 19-38
(нет на складе)
Шлифовальный станок Laguna DB 12|6
(нет на складе)
JIB 25101 400B Круглопильный станок
(нет на складе)
Шлифовальный станок LAGUNA SS|14
(нет на складе)
Осциллирующий шлифовальный станок Laguna 6|89T
(нет на складе)
WARRIOR W0702 230В Круглопильный станок
(нет на складе)
Круглопильный станок HARVEY HW110WSE
(нет на складе)
Устройство для вытачивания сфер JIB WL330
(нет на складе)
Автоподатчик HARVEY V-380
(нет на складе)
Автоподатчик HARVEY V-480
(нет на складе)
Автоподатчик HARVEY V-880
(нет на складе)
Барабанный шлифовальный станок LAGUNA SUPERMAX 16-32
(нет на складе)
JIB MJ10-1300 Круглопильный станок
(нет на складе)
Круглопильный санок LAGUNA F2 FUSION
(нет на складе)
Пила циркулярная LAGUNA F3 FUSION
(нет на складе)
Круглопильный станок WARRIOR W0705
(нет на складе)
Круглопильный станок WARRIOR W0706
(нет на складе)
Барабанный шлифовальный станок LAGUNA SUPERMAX 25-50
(нет на складе)
Цена                                                                                                                                                                                                              
Номинальная потребляемая мощность 0,37 кВт, 230 В 0,37 0,55 кВт, 230 В 0,37 0,55 кВт 0,55 кВт 1,5 1,5 кВт 0,37 0,55 0,75 1,29 кВт 1,84 кВт 0,4 кВт 0,75 0,75 2,2 2,2 4 2 кВт 2,2 кВт 0,6 кВт 3,8 2 кВт 1,5 0,55 1,5 230 В/50 Гц/1 фазный/0,6 кВт 2,0 1,5 1,8 230 В/50 Гц/1 фазный/0,55 кВт 0,55 кВт 0,75 кВт 1,1 кВт 1,5 кВт 1,1 кВт 2,2 кВт 2,2 кВт 2,2 кВт 2,2 кВт 2,8 кВт 2,8 кВт 1,5 0,75 0,75 кВт 0,75 кВт 1,1 кВт 1,1 кВт 1,1 кВт 1,1 кВт 2,2 кВт 2,2 кВт 2,2 кВт 2,2 кВт, 2,2 кВт 2,2 кВт 2,21 кВт 2,21 кВт Верхний: 2,2, нижний: 1,5 3,7 кВт 1,8 3,7 кВт 1,5 2,2 кВт 2,2 кВт 2,2 2,2 кВт 2,2 кВт, 2,2 кВт 2,2 кВт 1,5 кВт 1,29 кВт 1,1 кВт 2,25 кВт 0,88 кВт 1,1 кВт 2,2 кВт 0.55 1,1 кВт 2,2 кВт 1,29 кВт 2,21 кВт 1,8 кВт 1,5 кВт 1,29 кВт
Номинальное напряжение, В 230 В 230 В 230 В 230 В 400 В 230 В 230 В 230 В 230 В 230 В 230 В 230 В 230 В 230 В 230 В 230 В 230 В 230 В 230 В 230 В 230 В 400 В 230 В 400 В 230 В 230 В 230 В 230 В 230 В 230 В 230 В 230 В 230 В 230 В 400 В 400 В 230 В 230 В 230 В 230 В 230 В 400 В 400 В 230 В 230 В 230 В 230 В 400 В 400 В 230 В 230 В 230 В 400 В 230 В 230 В 230 В 230 В 230 В 230 В 230 В 230 В 230 В 230 В
Диаметр пильного диска 254 мм 254 мм
Посадочный диаметр диска 30 мм 30 мм 30 мм 30 мм 30 мм 30 мм 30 / 16 мм 30 / 16 мм 30 / 16 мм 30 / 16 мм
Максимальная ширина пазовальных фрез (дисков ДАДО) да нет да нет да да да да 20,6 мм 20,6 мм 21 мм 19 мм 19 мм 22 мм 22 мм
Максимальная глубина пиления при 90° 82 мм 82 мм 79 мм 80 мм 80 мм 80 мм 79 мм 79 мм
Расширители стола Сталь Сталь Чугун Чугун Чугун Чугун Чугун Чугун Чугун Чугун Чугун Чугун
Мобильная база в комплекте Нет В комплектацию не входит и приобретается отдельно. В комплектацию не входит и приобретается отдельно. В комплектацию не входит и приобретается отдельно. В комплектацию не входит и приобретается отдельно. В комплектацию не входит и приобретается отдельно. В комплектацию не входит и приобретается отдельно. Корпус на колесах Корпус на колесах Корпус на колесах Корпус на колесах Корпус на колесах Корпус на колесах Корпус на колесах Корпус на колесах Корпус на колесах Корпус на колесах Корпус на колесах Корпус на колесах Есть Есть Корпус на колесах Корпус на колесах Корпус на колесах Корпус на колесах Есть Есть Есть Есть Есть Есть Есть Есть Есть Корпус на колесах Корпус на колесах Корпус на колесах Корпус на колесах Есть Нет Есть Нет Есть Есть Есть Есть
Высота распиловки 120 мм 180 мм 305 мм 330 мм 330 мм 190 мм 350 мм
Диаметр маховика 254 мм 312 мм 426 мм 361 мм 361 мм 315 мм 400 мм
Тип узла поддержки Подшипники Подшипники Вращающиеся твердосплавные сухари европейского типа Керамические направляющие Керамические направляющие Вращающиеся твердосплавные сухари европейского типа Подшипники
Толщина заготовки максимальная 200 203 мм 203 мм 152 мм 152 мм 150 200 102 мм 76,2 мм 100 мм
Ширина заготовки максимальная 245 мм 305 мм 416 мм 305 мм 375 мм 250 153 мм 153 мм 203 мм 203 мм 203 мм 203 мм 381 мм 381 мм 150 255 мм 255 мм 255 мм 255 мм 153 мм 153 мм 330 мм 330 мм 330 мм 330 мм 406 мм 406 мм 203 мм 203 мм 400 320 мм 420 мм 300 305 мм 305 мм 305 мм 305 мм 965,2 мм (2 прохода) 813 мм 1270 мм
Расположение двигателя Внизу в тумбе Внизу в тумбе Сверху Сверху
Число ножей режущего вала 438 438 438 438 438 439 439 439 439
Режущий вал Helical Helical Helical Helical Helical Helical Helical Helical Helical Helical
Максимальный диаметр режущего инструмента 200 мм 200 мм
Перемещение шпинделя 90 мм 100 мм
Частота вращения 3500/7000 об/мин 10000 / 8000 / 6000 / 4000 об/мин
Цифровой индикатор Есть
Система защиты от перегрузки (прижогов) Есть Есть Есть
Вылет шпинделя 110 - 430 мм 190 мм
Ход пиноли шпинделя 80 мм 80 мм
Максимальный размер сверла 16 мм 20 мм
Расстояние между центрами 457 мм 457 мм 450 мм 450 мм 510 мм 1016 мм 1067 мм
Глубина пиления при 90° x 0° 70 x 140 мм 70 x 140 мм
Расстояние между центрами с удлинением 1070 мм 1070 мм
Скорость шпинделя 500 / 1000 / 1500 / 2100 / 3100 об/мин 650-1450, 1250-2800, 1600-3800 об/мин 370/650/1000/1500/2200/3250 об/мин 500-1800 об/мин (низкий диапазон) 1000-3800 об/мин (высокий диапазон) 250-3850 об/мин 600-2200 об/мин 100-1300 об / мин (низкий диапазон); 250-3200 об / мин (высокий диапазон)
Глубина пиления при 90° x 45° 70 x100 мм 70 x100 мм
Максимальный диаметр обработки над станиной 305 мм 305 мм 305 мм 305 мм 320 мм 356 мм 400 мм
Глубина пиления при 45° x 0° 35 x 140 мм 35 x 140 мм
Бесступенчатая регулировка оборотов Нет Есть Есть Есть Есть Есть
Глубина пиления при 45° x 45° 35 x 100 мм 35 x 100 мм
Установка Напольная Напольная
0
0 оценок
5
0
4
0
3
0
2
0
1
0
Оставьте свой отзыв
Ваша оценка
Нажимая кнопку «Оставить отзыв», я подтверждаю, что даю согласие на обработку персональных данных и согласен с условиями политики конфиденциальности
Спасибо!

Ваш отзыв успешно отправлен